欢迎来到开云真人kaiyunapp下载 官网!
保险丝

16年专注电子元器件代理服务商销售电容、光耦、保险丝等产品遍布全球130个国家地区

咨询热线138-2353-9691(微信同号)光耦
关注弗瑞鑫,获取电子元器件新资讯
您的位置: 网站首页 > 行业资讯 > 扬杰MG50HF12LEC1  IGBT模块产品参数、规格书以及应用领域

扬杰MG50HF12LEC1  IGBT模块产品参数、规格书以及应用领域

发布时间:2023-08-03 19:33:19
信息摘要:
扬杰MG50HF12LEC1是一款高性能的IGBT(Insulated Gate Bipolar Transistor)模块,它具有多项先进技术和特性,适用于各种工业和电力应用。

  扬杰MG50HF12LEC1是一款高性能的IGBT(Insulated Gate Bipolar Transistor)模块,它具有多项先进技术和特性,适用于各种工业和电力应用。

扬杰MG50HF12LEC1  IGBT模块产品参数、规格书以及应用领域

 一、扬杰MG50HF12LEC1 IGBT模块规格参数

  产品类型:IGBT模块

  产品型号:MG50HF12LEC1

  产品描述:1200V 50A

  产品封装:C1

  产品品牌:扬杰

  反向重复峰值电压VRRM:1200V

  正向平均电流IF:50A

  饱和压降 VCE:3.1V

  工作温度范围:-40℃~+150℃


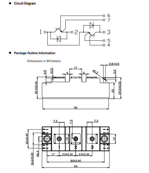
      二、扬杰MG50HF12LEC1 IGBT模块规格书


1

2

  三、扬杰MG50HF12LEC1 IGBT模块的应用范围

  扬杰MG50HF12LEC1 IGBT模块广泛应用于各种工业和电力领域,包括但不限于:

  1、变频器和驱动器:扬杰MG50HF12LEC1模块适用于变频器和驱动器,可以实现电机的高效率控制。它可以用于电梯、轨道交通、风力发电、制冷设备等应用中。

  2、电力传输和配电:扬杰MG50HF12LEC1模块在电力传输和配电系统中具有重要作用。它可以用来控制和保护变压器、开关设备以及其他关键的电力设备。

  3、工业自动化:扬杰MG50HF12LEC1模块能够满足工业自动化系统对高速、高效的要求,广泛应用于机器人、自动化生产线、数控机床等领域。

  4、新能源应用:扬杰MG50HF12LEC1模块也适用于新能源应用,如太阳能逆变器、风力发电控制系统等。它能够提供稳定的电源控制,充分利用可再生能源。


  四、扬杰MG50HF12LEC1 IGBT模块的竞争优势

  1、高可靠性:扬杰MG50HF12LEC1模块采用优质材料和先进工艺制造,具有高可靠性和稳定性。它在恶劣的工作环境下表现出色,能够长时间稳定运行。

  2、先进的保护功能:扬杰MG50HF12LEC1模块具有多种保护功能,如过电流保护、过温保护和过压保护等。这些功能能够有效地保护模块和相关设备不受损坏。

  3、宽工作温度范围:扬杰MG50HF12LEC1模块能够在较宽的工作温度范围内正常工作,适应各种气候条件和环境要求。

  4、易于安装和维护:扬杰MG50HF12LEC1模块的安装和维护非常便捷。它采用标准的封装和接口设计,使得用户可以快速安装和更换模块。

  综上所述,扬杰MG50HF12LEC1 IGBT模块是一款高性能、可靠性高的电力设备,适用于各种工业和电力应用。它具有先进的技术特点和广泛的应用范围,在市场上具有竞争优势。扬杰MG50HF12LEC1模块的高效能、低损耗和良好的热特性使其成为工业和电力控制系统中不可或缺的一部分。

            

热品推荐

特锐祥贴片陶瓷Y5U561M开云kaiyun

 厂家直售

特锐祥贴片陶瓷Y5U561M开云kaiyun  厂家直售

产品类型:Y2电容 产品型号:Y2 561M/250V 产品描述:SMD-Y2-Y5U561M/AC250V 封装:4.3*3.5*2.2 品牌:特锐祥 封装/外壳:塑料封装 L 管脚贴片 产品应用:主要用于家用电器、充电器 规格书下载
插件固态电容1000UF 6.3V 8* 8 免费拿样

插件固态电容1000UF 6.3V 8* 8 免费拿样

产品系列:固态电容 产品型号:1000UF 6.3V 8*8 产品描述:6.3V 8*8 品牌:FRX 产品应用:通用DC-DC调节器
长寿命弯脚 400V120UF  高品质电解电容供应

长寿命弯脚 400V120UF  高品质电解电容供应

产品系列:电解电容 产品型号:长寿命电解电容 产品描述:尺寸可定制 400uF 120V 封装:铝电解 品牌:NOBLE 产品应用:家用电器
X2开云kaiyun

 335K/AC275V 脚距10mm电容

X2开云kaiyun  335K/AC275V 脚距10mm电容

产品类型:X电容 产品型号:X2 335K/AC275V   本体宽度:13mm 本体脚距:10mm 本体厚度:8mm 品牌:特锐祥 封装/外壳:塑料封装 L 管脚贴片 产品应用:家用电器 规格书下载
8N65高压mos管 场效应管SMF8N65

8N65高压mos管 场效应管SMF8N65

产品类型:场效应管 产品型号:SMF8N65 产品描述:8A 650V TO-220F塑封 封装:TO-220F 品牌:FRX 产品应用:高压NPN型MOS管,高频开关电源,高速功率开关应用。应用于电源开关、LED照明等 规格书下载
天电TD356C(T1)-G光耦代替亿光EL357C

天电TD356C(T1)-G光耦代替亿光EL357C

产品类型:光耦 产品型号:TD356C(T1)-G 运转方式:代替亿光EL357C 封装:SOP-4 品牌:天电 产品应用:主要用于手机充电器、电源适配器、LED电源等。 规格书下载
MSB40M整流桥堆  4A软桥厂家

MSB40M整流桥堆  4A软桥厂家

产品类型:桥堆、软桥 产品型号:MSB40M 产品描述:4A 1000V MSB407 MSB 封装:MSB 品牌:新邦微XBW 产品应用:主要用于手机充电器、电源适配器、LED电源等。 规格书下载
特锐祥正品 插件陶瓷Y5P151K 250V电容

特锐祥正品 插件陶瓷Y5P151K 250V电容

产品类型:Y2电容 产品型号:Y2 471M/250V 产品描述:SMD-Y2-Y5U471M/AC250V 封装:4.3*3.5*2.2 品牌:特锐祥 封装/外壳:塑料封装 L 管脚贴片 产品应用:主要用于家用电器、充电器 规格书下载
全新原装牛角型820uf 450V硬脚电解电容

全新原装牛角型820uf 450V硬脚电解电容

产品系列:电解电容 产品型号:牛角型电解电容 产品描述:尺寸可定制 820uF 450V 封装:铝电解 品牌:NOBLE 产品应用:家用电器
肖特基二极管SS54 5A 40V SMA/SMB/SMC

肖特基二极管SS54 5A 40V SMA/SMB/SMC

产品类型:二极管 产品型号:SS54 产品描述:5A 40V 550mV@5A 产品封装:SMA/SMB/SMC 产品品牌:新邦微 产品应用:小家电、数码产品、电源产品及工控等 规格书下载
瞬态抑制二极管SMF5.0CA SOD-123FL

瞬态抑制二极管SMF5.0CA SOD-123FL

产品类型:TVS二极管 产品型号:SMF5.0CA 产品描述:4.6*1.5*2.9 产品封装:SOD-123FL 产品品牌:新邦微XBW 产品应用:主要应用于数码产品、传感器、变速器、工控回路、续电器、接触器噪音的抑制等各个领域
贴片稳压二极管BZX584C6V8 6.8V SOD-523

贴片稳压二极管BZX584C6V8 6.8V SOD-523

产品类型:塑封稳压二极管 产品型号:BZX584C6V8 产品描述:6.8V 丝印Z5 封装:SOD-523 品牌:星海 产品应用:由于具有稳压作用,广泛用在稳压电源、电子点火器、直流电平平移、限幅电路、过压保护电路、补偿电路等当中。 规格书下载
1N4148W开关二极管 新邦微原厂直销

1N4148W开关二极管 新邦微原厂直销

产品类型:二极管 产品型号:1N4148W 产品描述:75V 0.15A T4 SOT-23 封装:SOT-23 品牌:新邦微XBW 产品应用:超高速开关应用。应用广泛。应用于电子设备、数码、通讯等。 规格书下载
BAV70贴片二极管 新邦微高速开关二极管

BAV70贴片二极管 新邦微高速开关二极管

产品类型:二极管 产品型号:BAV70 产品描述:75V 0.15A T4 封装:SOT-23 品牌:新邦微XBW 产品应用:超高速开关应用。应用广泛。应用于电子设备、数码、通讯等。 规格书下载
BAV99开关二极管 新邦微100%原装正品

BAV99开关二极管 新邦微100%原装正品

产品类型:二极管 产品型号:BAV99 产品描述:75V 0.15A T4 产品封装:SOT-23 产品品牌:新邦微XBW 产品应用:超高速开关应用。应用广泛。应用于电子设备、数码、通讯等。 规格书下载
新邦微MMBD4148CA开关二极管

新邦微MMBD4148CA开关二极管

产品类型:二极管 产品型号:MMBD4148CA 产品描述:75V 0.2A A1 产品封装:SOT-23 产品品牌:新邦微XBW 产品应用:超高速开关应用。应用广泛。应用于电子设备、数码、通讯等。 规格书下载
新邦微BAW56原装现货贴片开关二极管

新邦微BAW56原装现货贴片开关二极管

产品类型:二极管 产品型号:BAW56 产品描述:75V 0.215A A7 产品封装:SOT-23 产品品牌:新邦微XBW 产品应用:超高速开关应用。应用广泛。应用于电子设备、数码、通讯等。 规格书下载
SMA封装 新邦微贴UF1M片二极管

SMA封装 新邦微贴UF1M片二极管

产品类型:快恢复二极管 产品型号:UF1M 封装:SMA 品牌:新邦微XBW 产品应用:塑料封装型通用硅材料。广泛应用于各种交流变直流的整流电路中。也用于桥式整流电路。 规格书下载
新邦微RS2M贴片快恢复二极管 厂家直售

新邦微RS2M贴片快恢复二极管 厂家直售

产品类型:二极管 产品型号:RS2M 产品描述:2A 1000V  封装:SMA 品牌:新邦微XBW 产品应用:广泛应用于开关电源、LED电源、变频器、驱动器等电路 规格书下载
新邦微SMB封装 FR1M快恢复二极管高质价优

新邦微SMB封装 FR1M快恢复二极管高质价优

产品类型:二极管 产品型号:FR1M 产品描述:1A 1000V FR1M SMB 封装:SMA 品牌:新邦微XBW 产品应用:广泛应用于开关电源、LED电源、变频器、驱动器等电路 规格书下载
新邦微US1M快恢复二极管

新邦微US1M快恢复二极管

产品类型:快恢复二极管 产品型号:US1M 产品描述:1A 1000V 封装:SMA 品牌:新邦微XBW 产品应用:广泛应用于开关电源、LED电源、变频器、驱动器等电路 规格书下载
新邦微RS1M贴片二极管 O元拿样

新邦微RS1M贴片二极管 O元拿样

产品类型:二极管 产品型号:RS1M 封装:SMA 品牌:新邦微XBW 产品应用:广泛应用于开关电源、LED电源、变频器、驱动器等电路 规格书下载
新邦微M7整流二极管 SMA封装厂家直售

新邦微M7整流二极管 SMA封装厂家直售

产品类型:整流二极管 产品型号:M7 封装:SMA 品牌:新邦微XBW 产品应用:塑料封装型通用硅材料。广泛应用于各种交流变直流的整流电路中。也用于桥式整流电路。 规格书下载
新邦微SOD-123FL封装 1N4007W整流二极管

新邦微SOD-123FL封装 1N4007W整流二极管

产品类型:二极管 产品型号:1N4007W 封装:SOD-123FL 品牌:新邦微XBW 产品应用:塑料封装型通用硅材料。广泛应用于各种交流变直流的整流电路中。也用于桥式整流电路。 规格书下载
新邦微1N5399整流二极管 高质价优

新邦微1N5399整流二极管 高质价优

产品类型:二极管 产品型号:1N5399 产品描述:1.5A 1000V DO-15 封装:DO-15 品牌:新邦微XBW 产品应用:塑料封装型通用硅材料。广泛应用于各种交流变直流的整流电路中。也用于桥式整流电路。 规格书下载
新邦微1N4007整流二极管 原装正品

新邦微1N4007整流二极管 原装正品

产品类型:二极管 产品型号:1N4007 产品描述:1A 1000V DO-41 封装:DO-41 品牌:新邦微XBW 产品应用:塑料封装型通用硅材料。广泛应用于各种交流变直流的整流电路中。也用于桥式整流电路。 规格书下载
新邦微1N5408整流二极管 DO-41现货速发

新邦微1N5408整流二极管 DO-41现货速发

产品类型:二极管 产品型号:1N4008 产品描述:1A 1000V DO-41 封装:DO-41 品牌:新邦微XBW 产品应用:塑料封装型通用硅材料。广泛应用于各种交流变直流的整流电路中。也用于桥式整流电路。 规格书下载
肖特基贴片二极管1N5819W SOD-123

肖特基贴片二极管1N5819W SOD-123

产品类型:二极管 产品型号:1N5819W 产品描述:1A 40V  丝印SL 封装:SOD-123 品牌:新邦微XBW 产品应用:用于低压、高频逆变器;自由转动和极性保护应用 规格书下载

联系我们

  • 电话:138-2353-9691
  • QQ:397540463
  • 邮箱:397540463@qq.com
  • 地址:深圳市宝安区西乡大道302号金源商务大厦B座301
Baidu
map